| G系列膜片聯軸器 |
| 來源: 點擊數:3375次 更新時間:2024/7/30 8:58:50 |
介 紹
G系列膜片聯軸器為通用設備提供經濟型的傳動解決方案,采用束腰型膜片,更大的使用扭矩,更小的膜片應力。
G系列膜片聯軸器有6孔、8孔及10孔設計,滿足不同扭矩及補償的要求,并有多種結構型式,可根據要求進行動平衡,也可根據要求滿足API610或API671標準。
• 無限壽命設計
• 過載保護
• 低附加載荷
• 零維護,無需潤滑和維護
• 無間隙
性能
規格;90-760
扭矩:240N.m-870000N.m
開孔直徑:至3330mm
如需更大規格,請咨詢蘭菱科技
應用
• 離心泵
• 離心式壓縮機
• 鼓風機
• 冷凍機
• 透平機
• 其他
金屬撓性元件聯軸器
金屬撓性元件聯軸器采用金屬作為撓性元件,傳動
扭矩大,同時具有一定的軸向、角向及徑向的補償
能力,包括蛇型彈簧聯軸器及膜片聯軸器,其中蛇
型彈簧聯軸器適用于現場比較臟的環境,同時被驅
動設備具有較大的振動計沖擊載荷。而膜片聯軸器
則適用于高轉速及高要求的場所,如石油化工行業。
蘭菱科技可以提供以下型式的聯軸器
應用
G型膜片聯軸器選型,需要客戶提供以下參數。
1. 額定功率(kW)
2. 額定轉速(RPM)
3. 軸的長度及直徑
4. 軸端距離
5. 服務要求
6. 動態位移
7. 其他幾何或環境限制
服務系數:
1. 從安全系數表1中選擇從動設備的服務系數SFA
2. 從安全系數表2中選擇主動設備的服務系數SFB
3. 把兩個安全系數SFA和SFB合成為服務系數SF
選 型 步 驟 1. 計算額定扭矩
1. 選擇合適的服務系數
建議的安全系數參見表1及表2。安全系數根據應用可能發生變化,影響因素主要包括:
1. 驅動和被驅動設備的類型
2. 反轉/無反轉載荷
3. 峰值扭矩
選擇的聯軸器規格的額定扭矩必須大于計算得到的扭矩。校核應用的峰值扭矩是否小于峰值扭矩。
3.校核軸轂的開孔能力,是否滿足開孔要求,如果不能滿足,則選擇更大規格的聯軸器
4.校核軸/軸轂的連接方式能否傳遞扭矩。如果有必要,可以延長軸轂。
校核轉速轉速是否滿足要求,樣本中的最大轉速為平衡轉速。如果需要更高的轉速,請咨詢蘭菱科技。
校核動態不對中是否滿足要求。
校核DBSE是否滿足要求。
安全系數表1
安全系數表2
性能參數丨6孔膜片組
性能參數丨8孔膜片組
性能參數丨10孔膜片組
結構型式
結構尺寸丨SU-6丨SUR-6型
結構尺寸丨SX-6丨SXR-6型
結構尺寸丨CC-6丨CCR-6型
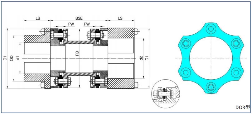
結構尺寸丨DO-6丨DOR-6型
結構尺寸丨SU-8丨SUR-8型
結構尺寸丨SX-8丨SXR-8型
結構尺寸丨CC-8丨CCR-8型
結構尺寸丨DO-8丨DOR-8型
結構尺寸丨SU-10丨SUR-10型
結構尺寸丨SX-10丨SXR-10型
結構尺寸丨CC-10丨CCR-10型
結 構 尺 寸丨DO-10丨DOR-10 型
|
| 【刷新頁面】【加入收藏】【打印此文】 【關閉窗口】 |
| 上一篇:工業冷水機 下一篇:非標環境試驗箱定制 |
服務熱線:400-111-3688 (24小時)
工作時間:7:30-11:30 12:30-16:30 (雙休)


